中成泵业防爆液下式排污泵、YW型防爆液下式污水泵品牌厂家为您提供防爆液下式排污泵、YW型防爆液下式污水泵型号,选型,视频等技术服务:021-66519999。
防爆液下式排污泵具有节能效果显著、防缠绕、无堵塞、自动安装和自动控制等特点。在排送固体颗粒和长纤维垃圾方面,具有独特效果。
YW型防爆液下式污水泵采用独特叶轮结构和新型机械密封,能有效地输送含有固体物和长纤维。叶轮与传统叶轮相比,该泵叶轮采用单流道或双流道形式,它类似于一截面大小相同的弯管,具有非常好的过流性,配以合理的蜗室,使得该泵具有效率高、叶轮经动静平衡试验,使泵在运行中无振动。
防爆液下式排污泵适用于化工、石油、制药、采矿、造纸工业、水泥厂、炼钢厂、电厂、煤加工工业,以及城市污水处理厂排水系统、市政工程、建筑工地等行业输送带颗粒的污水、污物,也司用于抽送清水及带腐蚀性介质。
| 型 号 | 口 径 (mm) | 流 量 (m3/h) | 扬 程 (m) | 功 率 (kw) | 转 速 (r/min) | 效 率 (%) |
| YW25-8-22-1.1 | 25 | 8 | 22 | 1.1 | 2825 | 38.5 |
| YW32-12-15-1.1 | 32 | 12 | 15 | 1.1 | 2825 | 40 |
| YW40-15-15-1.5 | 40 | 15 | 15 | 1.5 | 2840 | 45.1 |
| YW40-15-30-2.2 | 40 | 15 | 30 | 2.2 | 2840 | 48 |
| YW50-20-7-0.75 | 50 | 20 | 7 | 0.75 | 1390 | 54 |
| YW50-10-10-0.75 | 50 | 10 | 10 | 0.75 | 1390 | 56 |
| YW50-20-15-1.5 | 50 | 20 | 15 | 1.5 | 2840 | 55 |
| YW50-15-25-2.2 | 50 | 15 | 25 | 2.2 | 2840 | 56 |
| YW50-18-30-3 | 50 | 18 | 30 | 3 | 2880 | 58 |
| YW50-25-32-5.5 | 50 | 25 | 32 | 5.5 | 2900 | 53 |
| YW50-20-40-7.5 | 50 | 20 | 40 | 7.5 | 2900 | 55 |
| YW65-25-15-2.2 | 65 | 25 | 15 | 2.2 | 2840 | 52 |
| YW65-37-13-3 | 65 | 37 | 13 | 3 | 2880 | 55 |
| YW65-25-30-4 | 65 | 25 | 30 | 4 | 2890 | 58 |
| YW65-30-40-7.5 | 65 | 30 | 40 | 7.5 | 2900 | 56 |
| YW65-35-50-11 | 65 | 35 | 50 | 11 | 2930 | 60 |
| YW65-35-60-15 | 65 | 35 | 60 | 15 | 2930 | 63 |
| YW80-40-7-2.2 | 80 | 40 | 7 | 2.2 | 1420 | 52 |
| YW80-43-13-3 | 80 | 43 | 13 | 3 | 2880 | 50 |
| YW80-40-15-4 | 80 | 40 | 15 | 4 | 2890 | 57 |
| YW80-65-25-7.5 | 80 | 65 | 25 | 7.5 | 2900 | 56 |
| YW100-80-10-4 | 100 | 80 | 10 | 4 | 1440 | 62 |
| YW100-110-10-5.5 | 100 | 110 | 10 | 5.5 | 1440 | 66 |
| YW100-100-15-7.5 | 100 | 100 | 15 | 7.5 | 1440 | 67 |
| YW100-85-20-7.5 | 100 | 85 | 20 | 7.5 | 1440 | 68 |
| YW100-100-25-11 | 100 | 100 | 25 | 11 | 1460 | 65 |
| YW100-100-30-15 | 100 | 100 | 30 | 15 | 1460 | 66 |
| YW100-100-35-18.5 | 100 | 100 | 35 | 18.5 | 1470 | 65 |
| YW125-130-15-11 | 125 | 130 | 15 | 11 | 1460 | 62 |
| YW120-130-20-15 | 125 | 130 | 20 | 15 | 1460 | 63 |
| YW150-145-9-7.5 | 150 | 145 | 9 | 7.5 | 1440 | 63 |
| YW150-180-15-15 | 150 | 180 | 15 | 15 | 1460 | 65 |
| YW150-180-20-18.5 | 150 | 180 | 20 | 18.5 | 1470 | 75 |
| YW150-180-25-22 | 150 | 180 | 25 | 22 | 1470 | 76 |
| YW150-130-30-22 | 150 | 130 | 30 | 22 | 1470 | 75 |
| YW150-180-30-30 | 150 | 180 | 30 | 30 | 1470 | 73 |
| YW150-200-30-37 | 150 | 200 | 30 | 37 | 1480 | 70 |
| YW200-300-7-11 | 200 | 300 | 7 | 11 | 970 | 73 |
| YW200-250-11-15 | 200 | 250 | 11 | 15 | 970 | 74 |
| YW200-400-10-22 | 200 | 400 | 10 | 22 | 1470 | 76 |
| YW200-400-13-30 | 200 | 400 | 13 | 30 | 1470 | 73 |
| YW200-250-15-18.5 | 200 | 250 | 15 | 18.5 | 1470 | 72 |
| YW200-300-15-22 | 200 | 300 | 15 | 22 | 1470 | 73 |
| YW200-250-22-30 | 200 | 250 | 22 | 30 | 1470 | 71 |
| YW200-350-25-37 | 200 | 350 | 25 | 37 | 1980 | 75 |
| YW200-400-30-55 | 200 | 400 | 30 | 55 | 1480 | 70 |
| YW250-600-9-30 | 250 | 600 | 9 | 30 | 980 | 74 |
| YW250-600-12-37 | 250 | 600 | 12 | 37 | 1480 | 78 |
| YW250-600-15-45 | 250 | 600 | 15 | 45 | 1480 | 75 |
| YW250-600-20-55 | 250 | 600 | 20 | 55 | 1480 | 73 |
| YW250-600-25-75 | 250 | 600 | 25 | 75 | 1480 | 73 |
| YW300-800-12-45 | 300 | 800 | 12 | 45 | 980 | 76 |
| YW300-500-15-45 | 300 | 500 | 15 | 45 | 980 | 70 |
| YW300-800-15-55 | 300 | 800 | 15 | 55 | 980 | 73 |
| YW300-600-20-55 | 300 | 600 | 20 | 55 | 980 | 75 |
| YW300-800-20-75 | 300 | 800 | 20 | 75 | 980 | 78 |
| YW300-950-20-90 | 300 | 950 | 20 | 90 | 980 | 80 |
| YW300-1000-25-110 | 300 | 1000 | 25 | 110 | 980 | 82 |
| YW350-1100-10-55 | 350 | 1100 | 10 | 55 | 980 | 84.5 |
| YW350-1500-15-90 | 350 | 1500 | 15 | 90 | 980 | 82.5 |
| YW350-1200-18-90 | 350 | 1200 | 18 | 90 | 980 | 83.1 |
| YW350-1100-28-132 | 350 | 1100 | 28 | 132 | 740 | 83.2 |
| YW350-1000-36-160 | 350 | 1000 | 36 | 160 | 740 | 78.5 |
| YW400-1500-10-75 | 400 | 1500 | 10 | 75 | 980 | 82.1 |
| YW400-2000-15-132 | 400 | 2000 | 15 | 132 | 740 | 85.5 |
| YW400-1700-22-160 | 400 | 1700 | 22 | 160 | 740 | 82.1 |
| YW400-1500-26-160 | 400 | 1500 | 26 | 160 | 740 | 83.5 |
| YW400-1700-30-200 | 400 | 1700 | 30 | 200 | 740 | 83.5 |
| YW400-1800-32-250 | 400 | 1800 | 32 | 250 | 740 | 82.1 |
| YW500-2500-10-110 | 500 | 2500 | 10 | 110 | 740 | 82 |
| YW500-2600-15-160 | 500 | 2600 | 15 | 160 | 740 | 83 |
| YW500-2400-22-220 | 500 | 2400 | 22 | 220 | 740 | 84 |
| YW500-2600-24-250 | 500 | 2600 | 24 | 250 | 740 | 82 |

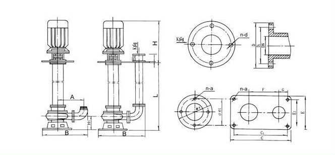
| 型号 | D | D1 | DN | n-d | B | HI | L | h | H2 | H | A | CXE | C1XE1 | F | G | n-a | φe | φe1 |
| 25YW8-22-1.1 | 120 | 90 | 25 | 4-φ14 | 310 | 115 | 1-5 | 16 | 70 | 360 | 190 | 600x320 | 550x270 | 190 | 85 | 4-φ14 | 300 | 265 |
| 32YW12-15-1.1 | 120 | 90 | 32 | 4-φ14 | 310 | 115 | 1-5 | 16 | 70 | 360 | 190 | 600x320 | 550x270 | 190 | 85 | 4-φ14 | 300 | 265 |
| 40YW15-15-1.5 | 130 | 100 | 40 | 4-φ14 | 360 | 125 | 1-5 | 18 | 80 | 370 | 215 | 600x320 | 550x270 | 215 | 60 | 4-φ14 | 300 | 265 |
| 40YW15-30-2.2 | 130 | 100 | 40 | 4-φ14 | 360 | 125 | 1-5 | 18 | 80 | 400 | 215 | 600x320 | 550x270 | 215 | 60 | 4-φ14 | 300 | 265 |
| 50YW20-7-0.75 | 140 | 110 | 50 | 4-φ14 | 405 | 125 | 1-5 | 13 | 80 | 360 | 255 | 600x320 | 550x270 | 255 | 65 | 4-φ14 | 300 | 265 |
| 50YW-10-10-0.75 | 140 | 110 | 50 | 4-φ14 | 405 | 125 | 1-5 | 18 | 80 | 360 | 255 | 600x320 | 550x270 | 255 | 65 | 4-φ14 | 300 | 265 |
| 50YW20-15-1.5 | 140 | 110 | 50 | 4-φ14 | 405 | 120 | 1-5 | 18 | 80 | 370 | 255 | 600x320 | 550x270 | 255 | 65 | 4-φ14 | 300 | 265 |
| 50YW15-25-2.2 | 140 | 110 | 50 | 4-φ14 | 405 | 120 | 1-5 | 18 | 80 | 400 | 255 | 600x320 | 550x270 | 255 | 65 | 4-φ14 | 300 | 265 |
| 50YW18-30-3 | 140 | 110 | 50 | 4-φ14 | 405 | 125 | 1-5 | 18 | 80 | 440 | 255 | 600x320 | 550x270 | 255 | 65 | 4-φ14 | 300 | 265 |
| 50YW25-32-5.5 | 140 | 110 | 50 | 4-φ14 | 405 | 160 | 1-5 | 20 | 80 | 540 | 265 | 600x350 | 550x300 | 265 | 55 | 4-φ14 | 350 | 300 |
| 50YW20-40-7.5 | 140 | 110 | 50 | 4-φ14 | 405 | 160 | 1-5 | 20 | 80 | 570 | 265 | 600x350 | 550x300 | 265 | 55 | 4-φ14 | 350 | 300 |
| 65YW25-15-2.2 | 160 | 130 | 65 | 4-φ14 | 440 | 130 | 1-5 | 18 | 80 | 400 | 280 | 600x320 | 550x270 | 280 | 70 | 4-φ14 | 300 | 265 |
| 65YW37-13-3 | 160 | 130 | 65 | 4-φ14 | 440 | 130 | 1-5 | 18 | 80 | 440 | 280 | 600x320 | 550x270 | 280 | 70 | 4-φ14 | 300 | 265 |
| 65YW25-30-4 | 160 | 130 | 65 | 4-φ14 | 440 | 130 | 1-5 | 18 | 80 | 470 | 280 | 600x320 | 550x270 | 265 | 70 | 4-φ14 | 300 | 265 |
| 65YW30-40-7.5 | 160 | 130 | 65 | 4-φ14 | 450 | 160 | 1-5 | 20 | 80 | 570 | 280 | 600x320 | 550x270 | 300 | 55 | 4-φ14 | 350 | 300 |
| 65Yff35-50-11 | 160 | 130 | 65 | 4-φ14 | 450 | 210 | 1-5 | 22 | 100 | TOO | 300 | 720x380 | 660x320 | 300 | 65 | 4-φ18 | 450 | 400 |
| 65YW35-60-15 | 160 | 130 | 65 | 4-φ14 | 450 | 210 | 1-5 | 22 | 100 | 740 | 300 | 720x380 | 660x320 | 300 | 65 | 4-φ18 | 450 | 400 |
| 80YW40-7-2.2 | 190 | 150 | 80 | 4-φ18 | 530 | 170 | 1-5 | 22 | 100 | 400 | 325 | 650x350 | 600x300 | 325 | 75 | 4-φ18 | 300 | 265 |
| 80YW43-13-3 | 190 | 150 | 80 | 4-φ18 | 530 | 160 | 1-5 | 22 | 100 | 440 | 325 | 650x350 | 600x300 | 325 | 75 | 4-φ18 | 300 | 265 |
| 80YW40-15-4 | 190 | 150 | 80 | 4-φ18 | 530 | 160 | 1-5 | 22 | 100 | 470 | 325 | 650x350 | 600x300 | 325 | 75 | 4-φ18 | 300 | 265 |
| 80YW65-25-7.5 | 190 | 150 | 80 | 4-φ18 | 530 | 170 | 1-7 | 22 | 100 | 570 | 325 | 650x350 | 600x300 | 325 | 75 | 4-φ18 | 350 | 300 |
| 100YW80-10-4 | 210 | 170 | 100 | 4-φ18 | 630 | 180 | 1-7 | 22 | 100 | 470 | 385 | 720x380 | 660x320 | 385 | 55 | 4-φ18 | 300 | 265 |
| 100YW110-10-5.5 | 210 | 170 | 100 | 4-φ18 | 630 | 190 | 1-7 | 22 | 100 | 540 | 385 | 720x380 | 660x320 | 385 | 55 | 4-φ18 | 350 | 300 |
| 100YW100-15-7.5 | 210 | 170 | 100 | 4-φ18 | 630 | 190 | 1-7 | 22 | 100 | 570 | 385 | 720x380 | 660x320 | 385 | 55 | 4-φ18 | 350 | 300 |
| 100YW85-20-7.5 | 210 | 170 | 100 | 4-φ18 | 630 | 190 | 1-7 | 22 | 100 | 570 | 385 | 720x380 | 660x320 | 385 | 55 | 4-φ18 | 350 | 300 |
| 100YW100-25-11 | 210 | 170 | 100 | 4-φ18 | TOO | 200 | 1-7 | 18 | 100 | TOO | 430 | 800x380 | 720x320 | 430 | 50 | 4-φ18 | 450 | 400 |
| 100YW100-30-15 | 210 | 170 | 100 | 4-φ18 | 770 | 220 | 1-7 | 18 | 100 | 740 | 475 | 900x400 | 820x320 | 475 | 135 | 4-φ18 | 450 | 400 |
| 100YW100-35-18.5 | 210 | 170 | 100 | 8-φ18 | 770 | 220 | 1-7 | 18 | 100 | 760 | 475 | 900x400 | 820x320 | 475 | 135 | 4-φ18 | 600 | 500 |
| 125YW130-15-11 | 240 | 200 | 125 | 8-φ18 | 750 | 210 | 1-7 | 20 | 140 | 700 | 470 | 1000x600 | 920x520 | 470 | 145 | 4-φ23 | 450 | 400 |
| 125YW130-20-15 | 240 | 200 | 125 | 8-φ18 | 750 | 210 | 1-7 | 20 | 140 | 740 | 470 | 1000x600 | 920x520 | 470 | 145 | 4-φ23 | 450 | 400 |
| 150YW145-9-7.5 | 265 | 225 | 125 | 8-φ18 | 840 | 220 | 1-7 | 20 | 140 | 570 | 520 | 1000x600 | 920x520 | 520 | 130 | 4-φ23 | 350 | 300 |
| 150YW180-15-15 | 265 | 225 | 150 | 8-φ18 | 840 | 220 | 1-7 | 20 | 140 | 740 | 520 | 1000x600 | 920x520 | 520 | 130 | 4-φ23 | 600 | 500 |
| 150YW180-20-18.5 | 265 | 225 | 150 | 8-φ18 | 840 | 220 | 1-7 | 20 | 140 | 760 | 520 | 1000x600 | 920x520 | 520 | 130 | 4-φ23 | 600 | 500 |
| 150YW180-25-22 | 265 | 225 | 150 | 8-φ18 | 840 | 220 | 1-7 | 20 | 140 | 800 | 520 | 1000x600 | 920x520 | 520 | 130 | 4-φ23 | 600 | 500 |
| 150YW130-30-22 | 265 | 225 | 150 | 8-φ18 | 840 | 220 | 1-7 | 20 | 140 | 800 | 520 | 1000x600 | 920x520 | 520 | 130 | 4-φ23 | 600 | 500 |
| 150YW180-30-30 | 265 | 225 | 150 | 8-φ18 | 870 | 275 | 1-7 | 20 | 140 | 860 | 550 | 1000x600 | 920x520 | 550 | 160 | 4-φ23 | 600 | 500 |
| 150YW200-30-37 | 265 | 225 | 150 | 8-φ18 | 870 | 275 | 1-7 | 20 | 140 | 950 | 550 | 1000x600 | 920x520 | 550 | 160 | 4-φ23 | 600 | 500 |
| 200YW300-7-11 | 335 | 295 | 200 | 8-φ23 | 1000 | 270 | 1-7 | 20 | 200 | 700 | 630 | 1300x750 | 1220x680 | 630 | 140 | 4-φ23 | 600 | 500 |
| 200YW250-11-15 | 335 | 295 | 200 | 8-φ23 | 1000 | 270 | 1-7 | 20 | 200 | 740 | 630 | 1300x750 | 1220x680 | 630 | 140 | 4-φ23 | 600 | 500 |
| 200YW400-10-22 | 335 | 295 | 200 | 8-φ23 | 1000 | 270 | 1-7 | 20 | 200 | 800 | 630 | 1300x750 | 1220x680 | 630 | 140 | 4-φ23 | 600 | 500 |
| 200YW400-13-30 | 335 | 295 | 200 | 8-φ23 | 1000 | 270 | 1-7 | 20 | 200 | 860 | 630 | 1300x750 | 1220x680 | 630 | 140 | 4-φ23 | 600 | 500 |
| 200YW250-15-18.5 | 335 | 295 | 200 | 8-φ23 | 1000 | 270 | 1-7 | 20 | 200 | 760 | 630 | 1300x750 | 1220x680 | 630 | 140 | 4-φ23 | 600 | 500 |
| 200YW300-15-22 | 335 | 295 | 200 | 8-φ23 | 1000 | 270 | 1-7 | 20 | 200 | 800 | 630 | 1300x750 | 1220x680 | 630 | 140 | 4-φ23 | 600 | 500 |
| 200YW250-22-30 | 335 | 295 | 200 | 8-φ23 | 1000 | 270 | 1-7 | 20 | 200 | 860 | 630 | 1300x750 | 1220x680 | 630 | 140 | 4-φ23 | 600 | 500 |
| 200YW350-25-37 | 335 | 295 | 200 | 8-φ23 | 1000 | 270 | 1-7 | 20 | 200 | 950 | 630 | 1300x750 | 1220x680 | 630 | 140 | 4-φ23 | 600 | 500 |
| 200YW400-30-55 | 335 | 295 | 200 | 8-φ23 | 1050 | 280 | 1-7 | 22 | 200 | 950 | 650 | 1300x750 | 1220x680 | 650 | 140 | 4-φ23 | 600 | 500 |
| 250YW600-9-30 | 390 | 350 | 250 | 12-φ18 | 1100 | 320 | 1-7 | 25 | 250 | 850 | 650 | 1300x750 | 1220x680 | 650 | 250 | 6-φ20 | 750 | 680 |
| 250YW600-12-37 | 390 | 350 | 250 | 12-φ18 | 1100 | 320 | 1-7 | 25 | 250 | 950 | 650 | 1300x750 | 1220x680 | 650 | 250 | 6-φ20 | 750 | 680 |
| 250YW600-15-45 | 390 | 350 | 250 | 12-φ18 | 1100 | 320 | 1-7 | 25 | 250 | 1010 | 650 | 1300x750 | 1220x680 | 650 | 250 | 6-φ20 | 750 | 680 |
| 250YW600-20-55 | 390 | 350 | 250 | 12-φ18 | 1100 | 320 | 1-7 | 25 | 250 | 1250 | 650 | 1300x750 | 1220x680 | 650 | 250 | 6-φ20 | 750 | 680 |
| 250YW600-25-75 | 390 | 350 | 250 | 12-φ18 | 1100 | 320 | 1-7 | 25 | 250 | 1310 | 650 | 1300x750 | 1220x680 | 650 | 250 | 6-φ20 | 750 | 680 |
| 300YW800-12-45 | 440 | 395 | 300 | 12-φ23 | 1200 | 400 | 1-7 | 28 | 250 | 1200 | 800 | 1400x750 | 1300x680 | 800 | 320 | 6-φ20 | 750 | 680 |
| 300YW500-15-45 | 440 | 395 | 300 | 12-φ23 | 1200 | 400 | 1-7 | 28 | 250 | 1200 | 800 | 1400x750 | 1300x680 | 800 | 320 | 6-φ20 | 750 | 680 |
| 300YW800-15-55 | 440 | 395 | 300 | 12-φ23 | 1200 | 400 | 1-7 | 28 | 250 | 1250 | 800 | 1400x750 | 1300x680 | 800 | 320 | 6-φ20 | 750 | 680 |
| 300YW600-20-55 | 440 | 395 | 300 | 12-φ23 | 1200 | 400 | 1-7 | 28 | 250 | 1250 | 800 | 1400x750 | 1300x680 | 800 | 320 | 6-φ20 | 750 | 680 |
| 300YW800-20-75 | 440 | 395 | 300 | 12-φ23 | 1200 | 400 | 1-7 | 28 | 250 | 1350 | 800 | 1400x750 | 1300x680 | 800 | 320 | 6-φ20 | 750 | 680 |
| 300YW950-20-90 | 440 | 395 | 300 | 12-φ23 | 1200 | 400 | 1-7 | 28 | 250 | 1420 | 800 | 1400x750 | 1300x680 | 800 | 320 | 6-φ20 | 750 | 680 |
| 300YW1000-25-110 | 440 | 395 | 300 | 12-φ23 | 1200 | 400 | 1-7 | 28 | 250 | 1560 | 800 | 1400x750 | 1300x680 | 800 | 320 | 6-φ20 | 750 | 680 |
| 350YW1100-10-55 | 500 | 460 | 350 | 12-φ23 | 1350 | 450 | 1-7 | 30 | 250 | 1300 | 950 | 1500x750 | 1400x680 | 950 | 400 | 6-φ20 | 750 | 680 |
| 350YW1500-15-90 | 500 | 460 | 350 | 12-φ23 | 1350 | 450 | 1-7 | 30 | 250 | 1450 | 950 | 1500x750 | 1400x680 | 950 | 400 | 6-φ20 | 750 | 680 |
| 350YW1200-18-90 | 500 | 460 | 350 | 12-φ23 | 1350 | 450 | 1-7 | 30 | 250 | 1450 | 950 | 1500x750 | 1400x680 | 950 | 400 | 6-φ20 | 750 | 680 |
| 350YW1100-28-132 | 500 | 460 | 350 | 12-φ23 | 1350 | 450 | 1-7 | 30 | 250 | 1600 | 950 | 1500x750 | 1400x680 | 950 | 400 | 6-φ20 | 750 | 680 |
| 350YW1000-36-160 | 500 | 460 | 350 | 12-φ23 | 1350 | 450 | 1-7 | 30 | 250 | 1600 | 950 | 1500x750 | 1400x680 | 950 | 400 | 6-φ20 | 750 | 680 |
| 400YW1500-10-75 | 560 | 515 | 400 | 16-φ26 | 1480 | 510 | 1-7 | 30 | 250 | 1400 | 950 | 2000x850 | 1900x780 | 950 | 400 | 6-φ20 | 750 | 680 |
| 400YW2000-15-132 | 560 | 515 | 400 | 16-φ26 | 1480 | 510 | 1-7 | 30 | 250 | 1600 | 950 | 2000x850 | 1900x780 | 950 | 400 | 6-φ20 | 750 | 680 |
| 400YW1700-22-160 | 560 | 515 | 400 | 16-φ26 | 1480 | 510 | 1-7 | 30 | 250 | 1620 | 950 | 2000x850 | 1900x780 | 950 | 400 | 6-φ20 | 750 | 680 |
| 400YW1500-26-160 | 560 | 515 | 400 | 16-φ26 | 1480 | 510 | 1-7 | 30 | 250 | 1630 | 950 | 2000x850 | 1900x780 | 950 | 400 | 6-φ20 | 750 | 680 |
| 400YW1700-30-200 | 560 | 515 | 400 | 16-φ26 | 1480 | 510 | 1-7 | 30 | 250 | 1750 | 950 | 2000x850 | 1900x780 | 950 | 400 | 6-φ20 | 750 | 680 |
| 400YW1800-32-250 | 560 | 515 | 400 | 16-φ26 | 1480 | 510 | 1-7 | 30 | 250 | 1360 | 950 | 2000x850 | 1900x780 | 950 | 400 | 6-φ20 | 750 | 680 |
| 500YW2500-10-110 | 670 | 620 | 500 | 20-φ26 | 2010 | 580 | 1-7 | 30 | 250 | 1600 | 1200 | 2200x950 | 2100x850 | 1200 | 300 | 6-φ20 | 900 | 800 |
| 500YW2600-15-160 | 670 | 620 | 500 | 20-φ26 | 2010 | 580 | 1-7 | 30 | 250 | 1620 | 1200 | 2200x950 | 2100x850 | 1200 | 300 | 6-φ20 | 900 | 800 |
| 500YW2400-22-220 | 670 | 620 | 500 | 20-φ26 | 2010 | 580 | 1-7 | 30 | 250 | 1750 | 1200 | 2200x950 | 2100x850 | 1200 | 300 | 6-φ20 | 900 | 800 |
| 500YW2600-24-250 | 670 | 620 | 500 | 20-φ26 | 2010 | 580 | 1-7 | 30 | 250 | 1860 | 1200 | 2200x950 | 2100x850 | 1200 | 300 | 6-φ20 | 900 | 800 |
| 故障现象 | 原因分析 | 排除方法 |
| 流量不足或不出水 | 1.叶轮旋转错误 2.阀门是否打幵和完好 3.管道叶轮被堵 4.转速过低 5.扬程过高 6.抽送介质密度较大和精度较高 7.密封圈损坏(口环处) | 1.调整叶轮旋转方向 2.检査、维修、排除 3.清理杂物 4.检查电器设备及电路 5.改泵或降低扬程 6.用水冲稀降低浓度和粘度 7.更换 |
| 运行不稳定或 泵不能启动 | 1.叶轮不平衡 2.轴承损坏 3.缺相 4.叶轮卡住 | 1.送制造厂调换或校正 2.更换 3.检査电路进行修复 4.排除杂物 |
| 电流过大 | 1.工作电压低 2.管道叶轮受阻 3.使用扬程过低 4.抽送液体的高度或粘度较高 | 1.调整工作电压 2.清理管道、叶轮堵物 3一减少流量.提高扬程 4.改变密度或粘度 |
| 泵有杂音或 振?动 | 1.泵轴、电机轴不同心 2.介质中有气体 3.腐蚀使泵轴不平衡 4.传动装置处嫘栓松动 5.泵轴弯曲 | 1.调整 2.降温或压 3.更换 4.紧固 5.校直或换 |