产品简介
JYSZ系列液压隔膜式计量泵常用单联的独立参数提供用户。也可根据用户需要制造同机座同规格的多联组合或不同机座不同规格组合。多联式适用于工艺流程中需多种介质的比例配送。该泵可广泛用于石油、化工、纺织、食品、造纸、原子能技术、电厂、塑料、制药、水厂、环保等工业。用来向加压或常压容器及管道内精确定量输送不含固体颗粒的液体。其流量可以开机(或定机)时从0-100%范围内无级调节。(根据计量泵的特性,更少行程一般不小于总行程的10%)单缸泵适用于单一液体的场合;组合泵可作比例泵使用,也可并联使用;泵组合可作为三比例泵使用,也可三泵并联,以达到较大排量,增高了液体的脉冲频率,促使液体连续顺畅加入;
该型计量泵可输送温度-30℃-100℃,粘度为0.3-800mm2/s不含固体颗粒等腐蚀性或非腐蚀性液体介质。不同型号的计量泵均可根据用要求装配变频电机〔能接收4-20mA电流信号)或防爆电机。泵的型号规格及参数请参考本公司的产品样本。 JYSZ系列液压隔膜式计量泵 可调计量范围:0-250L/H 更大的压力承受范围:0-25MPa 驱动方式:电机驱动 控制方式:手动、自动控制 配置方式:泵头保温、冷却、电机可配防爆
- 综合了机械隔膜式与柱塞式计量泵的双重优点。
- 噪音小
- 吐出压力更高一款系列可达500KG。
- 定量输出,在泵运行或停止时也可任意调节流量
- 通过液压及N型曲轴机构来传递动力
选型范围
液压隔膜式计量泵被广泛采用于易燃、易爆、易挥发、强腐蚀、放射性、剧毒、悬浮液以及昂贵的液体介质输送;达到高压加注液体目的。
| 型号 |
流量(L/H) |
压力(Mpa) |
柱塞直径(mm) |
行程(mm) |
泵速(min-1) |
电机功率(kw) |
进出口径(DN) |
重量(kg) |
| JYSZ 10/25 |
10 |
25 |
12 |
25 |
96/144 |
0.75 |
6 |
74 |
| JYSZ 10/20 |
10 |
20 |
0.55 |
| JYSZ 15/20 |
15 |
20 |
0.75 |
| JYSZ 15/15 |
15 |
15 |
0.55 |
| JYSZ 22/15 |
22 |
15 |
16 |
0.75 |
| JYSZ 22/8.0 |
22 |
8.0 |
0.55 |
| JYSZ 35/10 |
35 |
10 |
0.75 |
| JYSZ 35/8.0 |
35 |
8.0 |
0.55 |
| JYSZ 40/8.0 |
40 |
8.0 |
20 |
0.75 |
10 |
82 |
| JYSZ 40/6.3 |
40 |
6.3 |
0.55 |
| JYSZ 60/5.0 |
60 |
5.0 |
22 |
0.75 |
| JYSZ 60/4.0 |
60 |
4.0 |
0.55 |
| JYSZ 90/4.5 |
90 |
4.5 |
25 |
0.75 |
| JYSZ 90/3.5 |
90 |
3.5 |
0.55 |
| JYSZ 135/3.2 |
135 |
3.2 |
30 |
0.75 |
| JYSZ 135/2.4 |
135 |
2.4 |
0.55 |
| JYSZ 100/4.0 |
100 |
4.0 |
32 |
0.75 |
15 |
90 |
| JYSZ 100/1.6 |
100 |
1.6 |
0.55 |
| JYSZ 160/2.8 |
160 |
2.8 |
0.75 |
| JYSZ 160/2.0 |
160 |
2.0 |
0.55 |
| JYSZ 200/2.2 |
200 |
2.2 |
36 |
0.75 |
| JYSZ 200/1.6 |
200 |
1.6 |
0.55 |
| JYSZ 240/1.8 |
240 |
1.8 |
40 |
0.75 |
| JYSZ 240/1.3 |
240 |
1.3 |
0.55 |
| JYSZ 300/1.4 |
300 |
1.4 |
45 |
0.75 |
| JYSZ 300/1.0 |
300 |
1.0 |
0.55 |
| JYSZ 400/1.1 |
400 |
1.1 |
50 |
0.75 |
| JYSZ 400/0.8 |
400 |
0.8 |
0.55 |
结构图纸
结构原理 液压隔膜式式计量泵由电动机传动机构、液压系统等组成。 传动机构
- 行程调节机构由曲轴、偏心轮、调节螺母、调节丝杆、调节手轮(柄)、刻度盘〔指针)和标尺构成,由改变偏心距来达到柱塞的相对行程。
- 由电机动力传递给蜗杆、蜗轮实现减速旋转,促使曲轴、连杆机构作往复运动,带动柱塞产生液力。
液压系统
- 液压隔膜式式计量泵液力端的柱塞由传动端的曲柄连杆机构的往复运动带动进行工作。柱塞在液压腔内作往复运动,促使液压油的压力变化,使液压隔膜式挠曲位移来输送介质,液压腔内液压油量的相对稳定,由三阀的功能来保持。
- 液压液压隔膜式式计量泵的液压系统,其结构由柱塞、缸体、缸盖、进出口阀、液压隔膜式和三阀组成(即:放气过载阀、限位阀、补偿阀:)。在工作中由膜片隔开液压油和介质,故液压隔膜式式计量泵有无泄漏的优点。
- 过载阀自动排出液压油中进入液压腔内的气体,保证工作的平稳,避免了液压油过多或排放管道受阻产生超压自动开启载载阀,达到?;つ康?。
- 限位补偿装置是借助液压隔膜式推动限位阀的开放,按液压腔内的真空度随时补充油量,保证液压腔内液压油的充满。
| 序号 |
零件名称 |
件数 |
|
序号 |
零件名称 |
件数 |
| 1 |
电机 |
1 |
|
25 |
柱塞 |
1 |
| 2 |
内六角螺栓 |
4 |
26 |
0型密封圈 |
|
| 3 |
弹簧垫圈 |
4 |
27 |
0型密封圈 |
1 |
| 4 |
上轴承座 |
1 |
28 |
进油阀总成 |
1 |
| 5 |
内六角螺栓 |
4 |
29 |
进出水接口 |
1 |
| 6 |
弹簧垫圈 |
8 |
30 |
单向阀总成 |
2 |
| 7 |
连杆 |
1 |
31 |
限位阀总成 |
2 |
| 8 |
蜗轮 |
1 |
32 |
膜片 |
1 |
| 9 |
泵体 |
1 |
33 |
螺帽M16 |
1 |
| 10 |
轴承 |
1 |
34 |
弹簧垫圈 |
10 |
| 11 |
偏心轮 |
1 |
35 |
泵头 |
10 |
| 12 |
曲轴 |
1 |
36 |
双头螺栓 |
1 |
| 13 |
轴承 |
1 |
37 |
弹簧垫圈 |
8 |
| 14 |
轴承隔套 |
1 |
38 |
螺帽 |
8 |
| 15 |
下盖板 |
1 |
39 |
0型密封圈 |
8 |
| 16 |
0型密封圈 |
1 |
40 |
0型密封圈 |
1 |
| 17 |
锁夹 |
1 |
41 |
透气过载阀总成 |
1 |
| 18 |
油池 |
1 |
42 |
柱塞锁帽 |
1 |
| 19 |
密封垫片 |
1 |
43 |
螺丝 |
1 |
| 20 |
放油螺塞 |
1 |
44 |
复合轴承 |
3 |
| 21 |
油封压板 |
1 |
45 |
活塞销 |
1 |
| 22 |
油封 |
1 |
46 |
蜗杆 |
1 |
| 23 |
0型密封圈 |
1 |
47 |
轴承6007 |
1 |
| 24 |
活塞 |
1 |
48 |
|
|
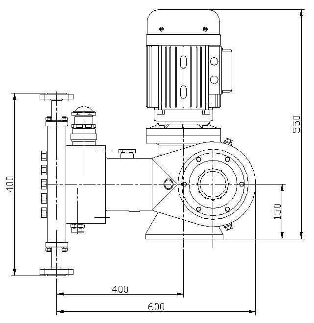
安装尺寸本数据仅供参考,请以实际订货为准!
泵的安装
- 将泵浦安装在高于药槽200-300皿的坚固基础上,并水平安装。
- 泵应安装在高于地面300-500毫米高混疑土上,将泵以水平状态校正;多联泵安装应注意以泵的相间联轴器为校正基准,同心度偏差不得超过0.15毫米〔弹性联轴器),钢性联轴器应在0.05毫米之内;
- 吸排管路上不应有急剧的弯头〔不大于90°),并应尽量减少管路中弯曲和增加阻力的部件。
- 勿将泵浦及药槽安装在日光直接照射之处。
- 药槽平时应补充药液及保养检査之需,请置于较宽敞的场所。
- 请勿安装在易按触湿气或腐蚀性气体之处。
- 泵浦安装之周围温度在-20~+40℃,高度在海拔1000M以下使用。
管路安装
- 吸入配管通径不能少于泵的吸入阀口径,并应尽量缩短吸入管道长度,一般2-3米为宜; 如必须增加长度时,则应适当加长,但长度不得超过5米(但启动时的吸入液体时间相对延长)。
- 与吸入、排出阀〔法兰)联接的管道,不能强行结合而使泵阀增加负荷,不得将管道及阀门等的重量由泵和吸排阀承担。管路安装完毕应支承并固定好管件。
特殊液体对管道通量的增加
- 为了确保泵的安全运营以及管路系统的安全,应在排出管道上设置安全阀,如需要减少被输送液体的脉冲,可在靠近泵排出管路上安装缓冲器。
- 对于输送悬浮液及易产生沉淀的介质,在泵的吸入及排出附近应增设阀门及三通,以便在泵运营停止时不拆开管路就能进行缸体内冲洗。
安装规范
泵安装的其它技术要求应符合《机械设备安装工作施工及验收规范》TJ231 (五)-78-泵安装的有关规定。
JYSZ系列液压隔膜式计量泵外形安装尺寸图

使用说明
准备工作
- 1.安装验收合格后,开机前应检査各连接处螺栓、螺母不允许有任何松动,新泵应清除泵上的防腐或污垢,清除时应用煤油檫洗,切用铲刮。
- 2.液压油箱内注入适量的L-HM46液压油,油量以油标水平中线为准。
- 3.传动箱内注入适量的L-CKE460蜗轮油(SH/T0094-199)或L-CKE460工业闭式齿轮油(GB5903-1995),油量以油标水平中线为准。
- 4.用手动联轴器或电机,使柱塞全行程往复移动若干次,不得有任何卡阻现象。
- 5.按电机各牌接通电源,启动电机,检査电机的旋转方向是否与转向标志一致。(注:此时管路上的进出口阀应处于完全敞开状态,否则后果自负)
计量泵的流量调节
- 1.根据工艺流程的流量要求,将调量表或刻度盘转相应的指示值。流量的调节应从小到大的原则。若需从大到小调节时(流量表),观察指针随调节手轮的旋转而游动,当指针到要求位置时,并超过数格,再向大流量方向使指针,调要求值。调节完毕,需将手轮锁紧。
- 2.流量调节可以在停车或运转中进行,调定后泵的流量约需1-2分钟才能稳定,流量越大,稳定时间就越长。
- 3.过载阀的调整,在出厂前已按额定排出压力调定,如实际排出压力与额定排出压力不同时按下表(单位:MPa)进行调整。
| 实际排出压力 |
0.2-1.0 |
1.3-4.0 |
5.0 -8.0 |
10.0 -16.0 |
| 阀开启压力% |
0.15P |
0.3P |
0.2P |
0.1P |
注:P为额定压力。为了安全,建议非专业人员不得随意调动。
- 4.完成上述各项工作后,确认无误,方可投入运行。
?;笆紫仁钩隹诮诹鞣Тτ谕耆刺懦鲅沽抵脸Q?,此时才能切断电源停止运行。 运行前准备
- 1.计量泵应安装在坚固的专用基础上,校正后紧定地脚螺栓,如果安装在混凝土基础上应高出地面100-150毫米以上。
- 2.连接管路应装测量仪表?!踩缪沽Ρ淼取⒂没ё员福?/li>
- 3.吸入管路末端应装有过滤装置。(用户自备也可象我公司订购)
- 4.电器控制设备根据使用情况应尽可能安装在泵工作地点,(不涉及安全的前提下),电器控制设备应装设与输送介质相应的控制?;ぷ爸茫匀繁0踩?/li>
- 5.吸入与排出管径应不少于进出口管径,吸入管路应尽量短。如吸入管路过长或弯管接头过多,应进行NPSHa核算。以满足必须净正吸入压头的要求。
- 6.排出管路应装有安全阀或安全溢流阀和背压阀(用户自备)如需减少出口压力脉冲,可在最近泵排出路上设稳压装置。(用户自备)
- 7.泵安装的其它技要求应符合《机械设备安装及验收规范》TJ231(五)-78-中的有关规定。
泵的维护与使用 维护
- 1.传动箱、液压油箱内应保持指定的油位,不应过多或过少。
- 2.润滑油和液压油应干净无杂后,并按下表周期进行更换。
| 油类 |
使用期限 |
换油周期 |
| 润滑油 |
开始3-6个月 |
每3个月更换一次 |
| 润滑油 |
6个月以后 |
每6个月更换一次 |
| 液压油 |
开始2-5个月 |
每2个月更换一次 |
| 液压油 |
5个月以后 |
每5个月更换一次 |
- 3.泵运转2000-3000小时以后,应拆开检査内部零件,进行检修和更换易损件。
- 4.泵若长期停用,应将液缸内的介质排净放干,并把表面清洗干净,外露加工表面需防锈油。存放期内泵应置于干燥处。
拆卸与装配 液压隔膜式式计量泵液力端的拆卸。拧开液压油箱底处的内六角螺塞,放掉箱内的液压油,盘动电机联轴器,把活塞移向前死点,将活塞从十字头上拆出,将液压端从机座上拆下来然后按以下顺序拆下液力端各部件:
- 1.拆下放气过载阀和补偿阀总成;
- 2.拆下进出口压阀法兰,依次取出阀套,〔阀芯、弹簧)阀座;
- 3.拧开缸盖上的固定螺母,拆下缸盖,依次取液压隔膜式;
- 4.拆下缸体与油箱的螺栓,取下缸体、柱塞、液缸,再取下限位阀组件。
- 5.卸下液压油箱与传动箱的联接螺母,取下油箱。
装配按下列顺序进行: 按液压隔膜式式计量泵液压端拆卸顺序的逆序装在传动箱上。调节好补油阀和放气过载阀,在装放气过载阀前,从放气过载阀油孔加足液压油,使液压腔内的气体排出。装配完毕,转动联轴器, 应运转自如,无卡阻现象。
| 泵头部位材料 |
工作条件 |
| 计量泵头:SUS304、SUS316 |
环境温度: -30℃ ##-90℃ |
| 计量阀: SUS304、SUS316 |
电机: 二相、三相标准电机或防爆电机 |
| 阀球: 二氧化硅、SUS304、SUS316、陶瓷、氧化锆 |
功率:0.75KW 0.55KW |
| 密封: 聚四氟乙烯 |
防护等级:IP54 |
注意事项
- 计量泵使用前请在齿轮箱内加220#娲轮蜗杆油或50#齿轮油至油标,并在液压油池内加L-HM32-46液压油至油标。
- 计量泵开机之前一定要确保出口管路通畅(阀门全开〉。
- 计量泵要停止工作时先关闭计量泵,再关闭出口阀门。
- 计量泵电机接线一定要按照电机铭牌的电压接线(380V或220V)
- 不锈钢管路接头焊接时,切不可把焊渣或杂物掉入管路或阀体内(从而会造成计量泵不出水、压力变小或流量变?。?/li>
- 出口管路压力一定要高于进口管路压力,如果低于进口压力,一定要加装背压阀, 防止产生虹吸。
出口管路口径一定要大于或等于,相应计量泵的标配口径。
故障排除
| 故障 |
原因 |
排除方法 |
| 完全不排液 |
1.吸入高度太高 2.吸入管道阻塞 3.吸入管道漏气 |
1.降低安装高度可减少弯头阀门 2.清洗疏通吸入管道 3.压紧或更换法兰垫片 |
| 排液量不够 |
1.吸入管道局部阻塞 2.吸入或排出阀内有杂物卡阻 3.充油腔内有气体 4.充油腔内油量不足或过多 5.补偿阀或过载阀漏油 6.泵阀磨损,关闭不严 7.转数不足 |
1.清洗疏通吸管道 2.清洗吸排阀 3.人工补油使安全阀跳开排气 4.经补偿并作人工补油或排油 5.对阀进行研磨 6.修理或更换阀件 7..检査电机和频率 |
| 排出压力不稳定 |
1.吸入或排出阀内有杂物卡住 2.液压隔膜式限制板或排出管连接处漏油 3.过载阀或补偿阀动作失灵 |
1.清洗吸排阀 2.拧紧连接外螺钉 3.按安全阀补偿阀组的调试方法进行调整 |
| 计量精度不够 |
1.充油腔内有残余气体 2.过载阀或补偿动作失灵 3.柱塞密封漏液 4.液压隔膜式片发生永久性变形 5.吸入或排出阀磨损 6.电机转速不稳定 |
1.经较长时间运营后气体自然排净 2.补偿阀堵塞或过载阀弹簧折断,检査修正后按过载阀补偿阀组的调试方法进行调整 3.更换缸套与活塞环 4.更换液压隔膜式片 5.更换新件 6.稳定电源频率和电压 |
| 运转中有冲击声 |
1.传动零件松动或严重磨损 2.吸入高度过高 3.吸入管道漏气 4.液压隔膜式腔内油量多 5.介质中有空气 6.吸入管径太小 |
1.拧紧有关螺丝或更换新件 2.降低安装高度 3.压紧吸入法兰 4.轻压补偿作人工瞬时排油 5.排出介质中空气 6.增大吸入管径 |
| 输送介质油污染 |
1.液压隔膜式片破裂 |
1.更换新件 |