天津-凤江湖论坛,韶关栖凤阁论坛(全国信息),qm论坛品茶,51品茶全国一品楼,赣州51龙凤茶楼论坛

热线电话13916299677
图文传真021-66773338
电子邮箱sale@cnspump.com
  • jydr1

产品简介


流量范围: 0-4900 L/H

压力范围: 0-50MPA

功率:7.5KW ,5.5KW, 380V /400V,50Hz / 60Hz

驱动系统: 三相标准电机或防爆电机

流量控制: 手动控制或自动控制

防护等级: IP55,IP54

泵头: SUS304, SUS316, 304+PTFE, 316+PTFE

隔膜: PTFE

单向阀: SUS304, SUS316

阀球: ZrO2, SUS304, SUS316, 陶瓷

环境温度:-15℃-常温

 

产品优势


  1. 无泄漏,维修方便,低噪音,使用方便。
  2. 配冲程调节器可以实现远程自动控制。
  3. 隔膜为多层复合结构压制而成,第一层超韧性Teflon耐酸薄膜,第二层EPDM弹性橡胶,第三层3.0mmSUS304支撑铁芯,第四层采用强化尼龙纤维补,第五层采用EPDM弹性橡胶完全包履,可有效提高隔膜使用寿命

性能参数本数据仅供参考,请以实际订货为准!


型 号 流 量 L/h 压力 MPa 柱塞直径 mm 行程 mm 泵速 min-1 电机功率 kw 进出口径 联接方式
JYDR□/40 90 / 140 40 20 60 96 / 144 5.5 DN 15 WN 法兰
JYDR220 / 32 220 32 25 144
JYDR315 / 22 315 22 30
JYDR360 / 20 360 20 32 60 144 5.5 DN20 WN 法兰
JYDR480 / 15 480 15 36
JYDR600 / 12 600 12 40
JYDR750 / 10 750 10 45
JYDR960 / 8.0 960 8.0 50 60 144 5.5 DN25 RF 法兰
JYDR1200 / 6.5 1200 6.5 55
JYDR1450 / 5.5 1450 5.5 60
JYDR1550 / 5.0 1550 5.0 63
JYDR1650 / 4.6 1650 4.6 65
JYDR1920 / 4.0 1920 4.0 70 60 144 5.5 DN32 RF 法兰
JYDR2240 / 3.5 2240 3.5 75
JYDR2550 / 3.0 2550 3.0 80
JYDR2880 / 2.8 2880 2.8 85
JYDR3250 / 2.4 3250 2.4 90 60 144 5.5 DN40 RF 法兰
JYDR3600 / 2.2 3600 2.2 95
JYDR4000 / 2.0 4000 2.0 100
JYDR4900 / 1.6 4900 1.6 110

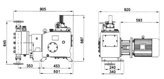
安装尺寸本数据仅供参考,请以实际订货为准!


JYDR系列液压隔膜式计量泵

上一产品:
下一产品: