产品简介
工作条件:
- 吸入压力≤1.6MPa,或泵系统最高工作压力 ≤1.6MPa,即泵吸入口压力+泵扬程≤1.6MPa、泵静压试验压力为2.5MPa,订货时请注明系统工作压力。泵系统工作压力大于1.6MPa时应 在订货时另行提出,以便在制造时泵的过流部分和联接部分采用铸钢材料。
- ISWR管道增压泵<40℃,相对湿度<95%。
- 所输送介质中固体颗粒体积含量不超过单位体积的0.1%,粒度<0.2mm。
- ISWR管道循环泵广泛适用于:冶金、化工、纺织、造纸、以及宾馆饭店等锅炉热水增压循环输送及城市采暖系统,ISWR型使用温度T≤120℃。
注:如使用介质为带有细小颗粒,请在订货时注明,以便厂家采用耐磨式机械密封。
型号意义
产品优势
- ISWR卧式热水管道离心泵运行平稳:泵轴的绝对同心度及叶轮优异的动静平衡,保证平稳运行没有振动。
- 滴水不漏:不同材质的硬质合金密封,保证了不同介质输送均无泄漏。
- ISWR管道循环泵噪音低:两个低噪音轴承支撑下的水泵,运转平稳,除电机微弱声响,基本无噪音。
- 故障率低:结构简单合理;配套,整机无故障工作时间大大提高。
- ISWR管道增压泵维修方便:更换密封、轴承,简易方便。
- 占地更?。撼隹诳上蜃蟆⑾蛴?、向上三个方向,便于管道布置安装,节省空间。
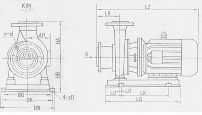
结构图纸
?
- 电动机:直接与水泵联接传送动力,采用名牌电机。
- 泵轴:与电机同轴,为电机加长轴,确保了轴的同心,使泵运转平稳。无噪音和振动现象,采用镀铬处理,增强了使用寿命。
- 挡水圈:防止因密封漏水而使电机进水。
- 机械密封:采用不锈钢、碳化钨、氟橡胶等材料制成。平衡式耐高温。高压机械密封,运行寿命长,不渗漏,对轴无磨损,不积水垢,保证工作环境的整洁。
- 取压塞:可安装压力表直观监控泵的正常高效运行
- 泵体:压出塞和吸入室采用优秀水力模型设计而成,既美观又高效,设有安装底脚,便于安装和运行稳固。
- 放气塞:灌泵时排净泵内空气,保证了泵的正常启动。
- 叶轮:采用先进的水力模型设计而成,具有高效率,可靠性好等特点。
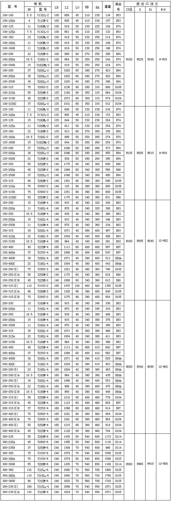
安装尺寸本数据仅供参考,请以实际订货为准!
使用说明
起动前准备:
- 试验电机转向是否正确,从电机顶部往泵看为顺时针旋转,试验时间要短,以免使机械密封干磨损。
- 打开排气,使液体充满整个泵体,待满后关闭排气阀。
- 检查各部位是否正常。
- 用手盘动泵以使润滑液进入机械密封端面。
- 高温型应先逬行预热,升温速度50℃/小时,以保证各部受热均匀。
起动:
- 全开进口阀门。
- 关闭吐出管路阀门。
- 起动电机,观察泵运行是否正桷。
- 调节出口阀幵度以所需工况,如用户在泵出口处裝有流量表或压力表,应通过调节出口阀门开度使泵在性能参数表所列的颔定点上运转,如用户在泵出口处装有流量表或压力表,应通过调节出口阀门开度,测量泵的电机电流,使电机在额定电流內运行,否则将造成泵超员荷运行(即大电流运行)至使电机烧坏。调正好的出口阀门开启大与小和管道工况有关。
- 检査轴封泄漏情况,正常时机械密封泄漏应小于3滴/分。
- 检查电机、轴承处温升≦70℃。
停车:
- 高温型先降溫,降温速度〈10℃/分,把温度降低到80℃以下,才能停车。
- 关闭吐出管路阀门。
- 停止电机。
- 关闭进口阀门。
- 如长期停车,应将泵内液体放尽。
维护保养
- 运行中的维护:
- 进口管道必须充满液体,禁止泵在汽蚀状态下长期运行。
- 定时检查电机电流値,不得超过电机颔定电流。
- 泵进行长期运行后,由于机械磨损,使机组噪音及振动增大时,应停车检查,必要时可更换易损零件及轴承,机组大修期一般为一年。
- 机械密封维护:
- 机械密封润滑应清洁无固体颗粒。
- 严禁机械密封在干磨情况下工作。
- 起动前应先盘动泵(电机)几圈,以免突然起动造成石墨环断裂损坏。
- 密封泄漏量允差3滴/分。否则应检查。
| 故障现象 |
故障原因 |
排除方法 |
| 1.水泵不出水 |
- 进出口阀门未打开,进出管路堵塞,流道叶轮堵塞。
- 电机运行方向不对,电机缺相转速很慢。
- 吸入管漏气。
- 泵没灌满液体,泵腔内有空气。
- 进口供水不足,吸程过高,底阀漏水。
- 管路阻力过大,泵选型不当。
|
- 检查,去除堵塞物。
- 调整电机方向,紧固电机接线。
- 拧紧各密封面,排除漏气。
- 灌满液体并打开排气阀,排尽空气。
- ?;?,检查、调整(并网自来水管或带吸程使用易出现此现象)。
- 减少管路弯道,重新选泵。
|
| 2.水泵流量不足 |
- 先按1.原因检查。
- 管道、泵流道叶轮部分堵塞,水垢陈积,阀门开度不足。
- 电压偏低。
- 叶轮磨损。
|
- 先按1.排除。
- 去除堵塞物,重新调整阀门开度。
- 稳压。
- 更换叶轮。
|
| 3.功率过大 |
- 超过额定流量使用。
- 吸程过高。
- 泵轴承磨损。
|
- 调节流量,关小出口阀门。
- 降低。
- 更换轴承。
|
| 4.杂音振动 |
- 管路支撑不稳。
- 液体混有气体。
- 产生汽蚀。
- 轴承损坏。
- 电机超载发热运行。
|
- 稳固管路。
- 提高吸入压力排气。
- 降低真空度。
- 更换轴承。
- 调整按5。
|
| 5.电机发热 |
- 流量过大,超载运行。
- 碰擦。
- 电机轴承损坏。
- 电压不足。
|
- 关小出口阀。
- 检查排除。
- 更换轴承。
- 稳压。
|
| 6.水泵漏水 |
- 机械密封磨损。
- 泵体有砂孔或破裂。
- 密封面不平整。
- 安装螺栓松懈。
|
- 更换。
- 焊补或更换。
- 修整。
- 紧固。
|