产品简介
螺杆泵是一种基于阿基米德螺旋泵衍生的容积泵,它依靠螺杆轴(转子)与橡胶套(定子)相互啮合,当动力端通过万向节驱动转子绕定子中心作时,转子与定子就连续地啮合形成真空腔,这些真空腔作匀速轴向运动,把输送介质从入口输送至出口,吸入真空腔内的介质流过定子而不被搅动和破坏。
产品概览
型号意义
产品优势
污泥螺杆泵与其他泵类的优势比较
- 与离心泵相比螺杆泵无需安装阀门,流量更加稳定;
- 与柱塞泵相比G型单螺杆泵具有更强的自吸能力;
- 与隔膜泵相比单螺杆泵可输送各种混合杂质含有气体及固体颗?;蛳宋慕橹?,也可输送各种腐蚀性物质;
- 与齿轮油泵相比,螺杆泵可输送更高粘度的介质;
- 与柱塞泵,隔膜泵及齿轮泵不同的是,污泥螺杆泵可用于药剂填充和计量。
固定转速时的性能参数
| 型号 |
流量(m3/h) |
压力(Mpa) |
允许最高转数(r/min) |
电机功率(kw) |
必需汽蚀余量(m) |
进口法兰通径(mm) |
出口法兰通径(mm) |
允许颗粒直径(mm) |
允许纤维长度(mm) |
| G20-1 |
0.8 |
0.6 |
960 |
0.75 |
4 |
25 |
25 |
1.5 |
25 |
| G20-2 |
1.2 |
1.5 |
| G25-1 |
2 |
0.6 |
960 |
1.5 |
32 |
25 |
2 |
30 |
| G25-2 |
1.2 |
2.2 |
| G30-1 |
5 |
0.6 |
960 |
2.2 |
50 |
40 |
2.5 |
35 |
| G30-2 |
1.2 |
3 |
| G35-1 |
8 |
0.6 |
960 |
3 |
65 |
50 |
3 |
40 |
| G35-2 |
1.2 |
4 |
| G40-1 |
12 |
0.6 |
960 |
4 |
80 |
65 |
3.8 |
45 |
| G40-2 |
1.2 |
5.5 |
| G50-1 |
20 |
0.6 |
960 |
5.5 |
4.5 |
100 |
80 |
5 |
50 |
| G50-2 |
1.2 |
7.5 |
| G60-1 |
30 |
0.6 |
960 |
11 |
5 |
125 |
100 |
6 |
60 |
| G60-2 |
1.2 |
15 |
| G70-1 |
45 |
0.6 |
720 |
11 |
150 |
125 |
8 |
70 |
| G70-2 |
1.2 |
15 |
| G85-1 |
60 |
0.6 |
720 |
15 |
150 |
150 |
10 |
80 |
| G85-2 |
1.2 |
450 |
22 |
| G105-1 |
80 |
0.6 |
400 |
22 |
200 |
200 |
15 |
110 |
| G105-2 |
1.2 |
350 |
30 |
| G135-1 |
120 |
0.6 |
350 |
37 |
250 |
250 |
20 |
150 |
| G135-2 |
1.2 |
280 |
55 |
单级,由齿轮变速、电磁调速电机加齿轮变速或无级变速电机加齿轮变速时的性能参数
| 型号 |
压力0.3Mpa |
压力0.6Mpa |
可调转数 |
| 转数(r/min) |
流量(m3/h) |
电动机功率(kw) |
转数(r/min) |
流量(m3/h) |
电动机功率(kw) |
转数(r/min) |
流量(m3/h) |
电动机功率(kw) |
| G20-1 |
960 |
0.96 |
0.75-6级 |
960 |
0.8 |
0.75-6级 |
125~1250 |
0.1~1.5 |
1.1 |
| 720 |
0.8 |
0.55-8级 |
720 |
0.5 |
0.75-8级 |
| 510 |
0.4 |
0.55-4级/齿轮箱 |
510 |
0.3 |
0.75-4级/齿轮箱 |
| G25-1 |
960 |
2.4 |
0.75-6级 |
960 |
2 |
1.5-6级 |
125~1250 |
0.1~3 |
1.5 |
| 720 |
1.5 |
0.55-8级 |
720 |
1.27 |
1.1-8级 |
| 510 |
1.08 |
0.55-4级/齿轮箱 |
510 |
0.9 |
1.1-4级/齿轮箱 |
| G30-1 |
960 |
3.6 |
1.5-6级 |
960 |
3 |
2.2-6级 |
125~1250 |
0.2~4 |
2.2 |
| 720 |
2.28 |
1.1-8级 |
720 |
1.9 |
1.5-8级 |
| 510 |
1.63 |
1.1-4级/齿轮箱 |
510 |
1.35 |
1.5-4级/齿轮箱 |
| G35-1 |
720 |
4.8 |
2.2-8级 |
720 |
4.04 |
3-8级 |
125~890 |
0.3~5 |
3 |
| 510 |
3.36 |
1.5-4级/齿轮箱 |
510 |
2.8 |
2.2-4级/齿轮箱 |
| 380 |
1.92 |
1.1-4级/齿轮箱 |
380 |
1.60 |
1.5-4级/齿轮箱 |
| G40-1 |
510 |
6.8 |
2.2-4级/齿轮箱 |
510 |
5.6 |
3-4级/齿轮箱 |
125~890 |
0.3~10 |
4 |
| 380 |
5.1 |
1.5-4级/齿轮箱 |
380 |
4 |
2.2-4级/齿轮箱 |
| 252 |
2.65 |
1.1-6级/齿轮箱 |
252 |
2.2 |
1.5-6级/齿轮箱 |
| G50-1 |
510 |
13.8 |
4-4级/齿轮箱 |
510 |
11.5 |
5.5-4级/齿轮箱 |
80~750 |
1~18 |
5.5 |
| 380 |
10.2 |
4-4级/齿轮箱 |
380 |
7.5 |
5.5-4级/齿轮箱 |
| 252 |
5.6 |
3-6级/齿轮箱 |
252 |
4.4 |
5.5-6级/齿轮箱 |
| G60-1 |
510 |
20.8 |
7.5-4级/齿轮箱 |
510 |
16 |
11-4级/齿轮箱 |
63~630 |
1~20 |
11 |
| 380 |
15.6 |
7.5-4级/齿轮箱 |
380 |
12 |
11-4级/齿轮箱 |
| 252 |
7.8 |
5.5-6级/齿轮箱 |
252 |
6 |
7.5-6级/齿轮箱 |
| G70-1 |
510 |
26 |
11-4级/齿轮箱 |
510 |
20 |
11-4级/齿轮箱 |
56~560 |
1~22 |
11 |
| 380 |
17 |
7.5-4级/齿轮箱 |
380 |
13 |
11-4级/齿轮箱 |
| 252 |
9.1 |
7.5-6级/齿轮箱 |
252 |
7 |
7.5-6级/齿轮箱 |
| G85-1 |
380 |
32 |
11-4级/齿轮箱 |
380 |
25 |
15-4级/齿轮箱 |
37~370 |
2~24 |
15 |
| 252 |
21 |
7.5-6级/齿轮箱 |
252 |
16 |
11-6级/齿轮箱 |
| 189 |
11 |
5.5-8级/齿轮箱 |
189 |
8 |
11-8级/齿轮箱 |
| G105-1 |
380 |
80 |
15-4级/齿轮箱 |
380 |
65 |
22-4级/齿轮箱 |
29~290 |
3~50 |
22 |
| 252 |
44 |
15-6级/齿轮箱 |
252 |
34 |
22-6级/齿轮箱 |
| 189 |
29 |
11-8级/齿轮箱 |
189 |
22 |
15-8级/齿轮箱 |
| G135-1 |
380 |
132 |
37-4级/齿轮箱 |
380 |
120 |
45-4级/齿轮箱 |
18~180 |
3~56 |
45 |
| 252 |
95 |
30-6级/齿轮箱 |
252 |
80 |
37-6级/齿轮箱 |
| 189 |
65 |
18.5-6级/齿轮箱 |
189 |
53 |
30-8级/齿轮箱 |
双级,由齿轮变速、电磁调速电机加齿轮变速或无级变速电机加齿轮变速时的性能参数
| 型号 |
压力0.8Mpa |
压力1.2Mpa |
可调转数 |
| 转数(r/min) |
流量(m3/h) |
电动机功率(kw) |
转数(r/min) |
流量m3/h) |
电动机功率(kw) |
转数r/min) |
流量m3/h) |
电动机功率(kw) |
| G20-2 |
960 |
0.96 |
1.5-6级 |
960 |
0.8 |
1.5-6级 |
125~1250 |
0.1~1.5 |
1.5 |
| 720 |
0.8 |
1.1-8级 |
720 |
0.5 |
1.5-8级 |
| 510 |
0.4 |
1.1-4级/齿轮箱 |
510 |
0.3 |
1.1-4级/齿轮箱 |
| G25-2 |
960 |
2.4 |
1.5-6级 |
960 |
2 |
2.2-6级 |
125~1250 |
0.1~3 |
2.2 |
| 720 |
1.5 |
1.1-8级 |
720 |
1.27 |
1.5-8级 |
| 510 |
1.08 |
1.1-4级/齿轮箱 |
510 |
0.9 |
1.5-4级/齿轮箱 |
| G30-2 |
960 |
3.6 |
3-6级 |
960 |
3 |
3-6级 |
125~1250 |
0.2~4 |
3 |
| 720 |
2.28 |
1.5-8级 |
720 |
1.9 |
2.2-8级 |
| 510 |
1.63 |
1.5-4级/齿轮箱 |
510 |
1.35 |
2.2-4级/齿轮箱 |
| G35-2 |
720 |
4.8 |
3-8级 |
720 |
4.04 |
4-8级 |
125~890 |
0.3~5 |
4 |
| 510 |
3.36 |
2.2-4级/齿轮箱 |
510 |
2.8 |
3-4级/齿轮箱 |
| 380 |
1.92 |
1.5-4级/齿轮箱 |
380 |
1.60 |
2.2-4级/齿轮箱 |
| G40-2 |
510 |
6.8 |
4-4级/齿轮箱 |
510 |
5.6 |
5.5-4级/齿轮箱 |
125~890 |
0.3~10 |
5.5 |
| 380 |
5.1 |
3-4级/齿轮箱 |
380 |
4 |
4-4级/齿轮箱 |
| 252 |
2.65 |
2.2-6级/齿轮箱 |
252 |
2.2 |
3-6级/齿轮箱 |
| G50-2 |
510 |
13.8 |
5.5-4级/齿轮箱 |
510 |
11.5 |
7.5-4级/齿轮箱 |
80~750 |
1~18 |
7.5 |
| 380 |
10.2 |
4-4级/齿轮箱 |
380 |
7.5 |
5.5-4级/齿轮箱 |
| 252 |
5.6 |
3-6级/齿轮箱 |
252 |
4.4 |
5.5-6级/齿轮箱 |
| G60-2 |
510 |
20.8 |
15-4级/齿轮箱 |
510 |
16 |
15-4级/齿轮箱 |
63~630 |
1~20 |
15 |
| 380 |
15.6 |
11-4级/齿轮箱 |
380 |
12 |
15-4级/齿轮箱 |
| 252 |
7.8 |
7.5-6级/齿轮箱 |
252 |
6 |
11-6级/齿轮箱 |
| G70-2 |
510 |
26 |
15-4级/齿轮箱 |
510 |
20 |
18.5-4级/齿轮箱 |
56~560 |
1~22 |
18.5 |
| 380 |
17 |
11-4级/齿轮箱 |
380 |
13 |
15-4级/齿轮箱 |
| 252 |
9.1 |
11-6级/齿轮箱 |
252 |
7 |
11-6级/齿轮箱 |
| G85-2 |
380 |
32 |
18.5-4级/齿轮箱 |
380 |
25 |
22-4级/齿轮箱 |
37~370 |
2~24 |
22 |
| 252 |
21 |
15-6级/齿轮箱 |
252 |
16 |
18.5-6级/齿轮箱 |
| 189 |
11 |
15-8级/齿轮箱 |
189 |
8 |
15-8级/齿轮箱 |
| G105-2 |
380 |
80 |
30-4级/齿轮箱 |
380 |
65 |
37-4级/齿轮箱 |
29~290 |
3~50 |
37 |
| 252 |
44 |
30-6级/齿轮箱 |
252 |
34 |
30-6级/齿轮箱 |
| 189 |
29 |
22-8级/齿轮箱 |
189 |
22 |
22-8级/齿轮箱 |
| G135-2 |
380 |
132 |
55-4级/齿轮箱 |
380 |
120 |
75-4级/齿轮箱 |
18~180 |
3~56 |
75 |
| 252 |
95 |
55-6级/齿轮箱 |
252 |
80 |
75-6级/齿轮箱 |
| 189 |
65 |
37-8级/齿轮箱 |
189 |
53 |
45-8级/齿轮箱 |
单、双级水煤浆工作泵的性能参数
| 泵型 |
流量(m3/h) |
工作压力(Mpa) |
转数(r/min) |
齿轮减速配套调速电机(kw) |
| G30-2 |
~1 |
1.2 |
30~300 |
YCT160/4A-2.2 |
| G35-2 |
~2 |
1.2 |
30~300 |
YCT160/4A-2.2 |
| G40-2 |
~3 |
1.2 |
30~280 |
YCT160/4A-3 |
| G50-1 |
~4.5 |
0.6 |
28~280 |
YCT180/4A-4 |
| G50-2 |
~4.5 |
1.2 |
28~280 |
YCT200/4A-5.5 |
| G60-1 |
~6.5 |
0.6 |
25~250 |
YCT200/4A-5.5 |
| G60-2 |
~6.5 |
1.2 |
25~250 |
YCT200/4B-7.5 |
| G70-1 |
~8 |
0.6 |
25~250 |
YCT200/4B-7.5 |
| G85-1 |
~12.5 |
0.6 |
18~180 |
YCT225/4A-11 |
| G105-1 |
~20 |
0.6 |
14~140 |
YCT225/4B-15 |
| G135-1 |
~35 |
0.6 |
10~100 |
YCT250/4B-22 |
说明:
- 以上性能参数是常温清水试验时的试验数据;
- 对于不同的介质、不同的转速,性能参数都将变化,其流量值与浓度、粘度成反比,与转速成正比;
- 用户必须根据使用要求、输送介质的状况、选型原则选择泵的类型,或者和本公司技术部门协商来决定螺杆泵的类型。
- 对于水煤浆泵传动形式为齿轮调速配套电磁调速电机或机械无级变速电机,流量随转速变化无级可调。
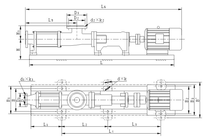
结构图纸

污泥螺杆泵结构图
安装尺寸本数据仅供参考,请以实际订货为准!

注意事项
- 开机前必先确定方向,不得反转;
- 严禁在无介质的情况下空运转,以免损坏定子;
- 新安装或?;旌蟮牡ヂ莞吮?,不能立即启动,应先向泵体内注入适量机油或肥皂水,再用管子钳扳动几转后才可启动;
- 输送高粘度或含颗粒及腐蚀性的介质后,应用水或溶剂进行冲洗,防止阻塞,以免下次启动困难;
- 冬季应排除积液,防止冻裂;
- 使用过程中轴承座内应定期加润滑油,发现轴端有渗流时,要及时处理或更换油封;
- 在运行中如发现异常情况,应立即停车检查原因,排除故障。
技术文档
螺杆泵前世今生-螺杆泵知识大全