天津-凤江湖论坛,韶关栖凤阁论坛(全国信息),qm论坛品茶,51品茶全国一品楼,赣州51龙凤茶楼论坛

热线电话13916299677
图文传真021-66773338
电子邮箱sale@cnspump.com

产品简介


DSW系列不锈钢泵是一种卧式单级离心泵,该泵与电机采用直联式联接,整体结构非常紧凑美观,泵的过流部件全部采用304不锈钢材料,可耐轻度腐蚀,泵的主要零部件采用薄板冲压结构,具有重量轻的特点,泵配有螺纹进出水口,联接方便,是一款非常现代的泵。输送介质 稀薄、干净、非易燃易爆并不含固体颗粒和纤维的液体,可输送轻腐蚀性介质(与介质中氯离子含量、酸和碱的浓度、是否对橡胶和机械密封摩擦付材料产生腐蚀等情况有关),所输送介质的密度不能大于清水,粘度要接近于水。否则需配用大功率电机。

离心泵运行条件

  • 液体温度:-10℃至+85℃
  • 环境温度:最高 +40℃
  • 海拔:最高1000m
  • 最大工作压力:8巴

安装条件

  • 泵应紧固在平稳的水平基座上
  • 泵的安装要保证泵在使用时不受系统管路张力的影响
  • 为保证电机的正常运转,泵要安装在具有良好通风条件、并防冰冻的位置
  • 电气接线装置应保证泵不受缺相、电压不稳、漏电和过载的损害

选型范围


  1. 工业、民用清水或其它液体的增压、输送
  2. 水循环系统
  3. 农业灌溉
  4. 污水处理设备配套

性能参数本数据仅供参考,请以实际订货为准!


型号规格 额定 流量 m?/h 额定 扬程 m 额定 功率 kw 额定 电压 v 同步 转速 r/min 配管 内径 mm 材质
DSW60/0.37 3.5 15 0.37 380/220 3000 32/25 304
DSW60/0.55 3.5 20 0.55 380/220 3000 32/25 304
DSW60/0.75 3.5 25 0.75 380/220 3000 32/25 304
DSW100/0.75 6 14 0.55 380/220 3000 32/25 304
DSW100/1.1 6 23 1.1 380/220 3000 32/25 304
DSW160/0.75 10 13.5 0.75 380/220 3000 40/32 304
DSW160/1.1 10 17.5 1.1 380/220 3000 40/32 304
DSW250/1.1 15 13 1.1 380/220 3000 40/32 304
DSW250/1.5 15 19 1.5 380 3000 40/32 304
DSW250/2.2 15 24 2.2 380 3000 40/32 304
DSW330/1.5 20 14 1.5 380 3000 50/32 304
DSW330/2.2 20 17 2.2 380 3000 50/32 304

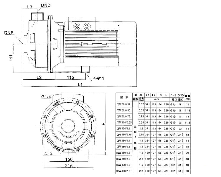
结构图纸


DSW不锈钢卧式单级离心泵

安装尺寸本数据仅供参考,请以实际订货为准!


DSW不锈钢卧式单级离心泵

上一产品:
下一产品: